手机版
二维码
选择频道搜索
铸造原料
供应市场
求购市场
行情报价
钢铁资讯
铸造招聘
铸造人才
铸造招商
品牌
铸造厂房
技术
图库
视频
圈子
动态
求购
二手
打包机
铁
钢
龙门剪
龙
铸造
生铁
废钢
首页
铸造原料
供应市场
求购市场
行情报价
钢铁资讯
铸造招聘
铸造人才
铸造招商
品牌
铸造厂房
技术
图库
视频
圈子
动态
出海
首页
>
求购市场
>
铸件订单
对重块铸件寻找铸造厂合作(优先带铁水短流程)
价格
数量
不限
包装
不限
报价
暂无
地区
全国
过期
长期有效
更新
2025-12-18 14:02
您还没有登录,请登录后查看联系方式
详细说明
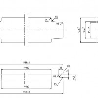
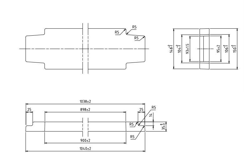
【铁谷网铸件订单】
铸件名称:对重块
材质:铸铁(排号无要求)
单重:35kg
要求:重量达标,表面刷一层防腐漆
交付地:苏州
备注:主要是找短流程铁厂/铸造厂生产,成本上更有优势
评论
0
更多
>
同类求购市场
求购铸钢件(壳体)
寻找曲轴箱铸件生产厂
【铸件订单】求合作!
铸件订单求合作,单件
更多
>
相关问答
暂无问答,点这里提问
网站首页
|
经营资质
|
付款方式
|
关于我们
|
联系方式
|
使用协议
|
隐私政策
|
广告服务
|
积分换礼
|
网站留言
|
帮助中心
|
网站地图
|
违规举报
皖ICP备2021002536号
©2020-2025 安徽铁谷信息科技股份有限公司 All Rights Reserved